
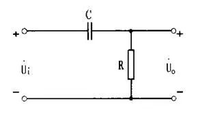
所谓RC电路,就是电阻R和电容C组成的一种分压电路。如下图1所示:输入电压加于RC串联电路两端,输出电压取自于电阻R或电容 C。由于电容的特殊性质,对下图 (a)和 (b)不同的输出电压取法,呈现出不同的频率特性。
由此 RC电路在电子电路中作为信号的一种传输电路,根据需要的不同,在电路中实现了耦合、相移、滤波等功能,并且在阶跃电压作用下,还能实现波形的转换、产生等功能。所以,看起来非常简单的 RC电路,在电子电路中随处可见,有必要对它的基本应用加以讨论。
RC耦合电路即阻容耦合电路, 是多级放大器级间耦合方式的基本形式. 如下图 2所示为两级放大器, 第一级的输出电压就是通过如下图 3所示的 RC阻容耦合电路加到第二级上的,其中C = C2, R 为 R5 与 rbe2 + ( 1+β) R6 的并联, Ui就是第一级的空载输出电压, Uo就是第二级的输入电压. 实际上整个放大器的输入耦合电路、输出耦合电路都是一个输出电压取自于电阻的如图3所示的 RC耦合电路. 对这种耦合电路输出电压可表示为:
当传输信号的频率很高时,即:f>fL时:Uo=Ui,即第二级得到的输入电压等于第一级的输出电压,耦合电容相当于通路.即这种情况下,RC耦合电路将被传输的信号无衰减地、且无相移地由上级耦合到下级.当被传输信号的频率降低到f=fL时:输出电压的大小等于输入电压大小的1/
且相位超前45度.由通频 带的概念,这就是下界频率.由上可见,RC电路作为耦合电路,能否将被传送的信号顺利地耦合下去,完全由被传送信号频率和RC电路的参数比较后决定的.一般来说,RC电路的时间τ=RC远大于被传送信号的周期T,即被传输信号的频率远大于由电路参数决定的下界频率时,这种RC耦合电路中的电容相当于通路.
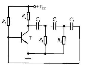
RC电路作为二端传输网络,若输出电压取自于电阻,则输出电压的相位超前;若输出电压取自于电容,则输出电压的相位落后.这种超前或落后最大可达90度,但此时输出电压的幅值也趋近于0.一般在电路中,使之信号通过RC电路,既有一定的相移,又有一定的电压幅值,这样RC电路就成了一个相移电路.在电 路中,根据需要的不同,将若干节RC电路串联去实现对某一频率的信号进行一定角度的相位移动.图4是一个RC相移式正弦波振荡器电路.三节RC相移电路在振荡电路中既是正反馈网络,又是选频网络,合理选其电路参数,对某一频率的信号通过RC相移电路,使之每一节的平均相移为60度,总相移为180度,从而满足振荡平衡条件,对这一频率的信号发生振荡.3、滤波电路
滤波电路是一种能使有用频率信号顺利通过,而对无用频率信号起抑制和衰减作用的电子电路.由于电容阻低频通高频的基本性质,滤波电路的基本组成部分仍是一个RC电路,当输出电压取自于电阻时,它就 是一个高通滤波器;
当输出电压取自于电容时,它就是一个低通滤波器.为了隔断负载对RC电路的影响,常将RC电路和集成运放组合起来组成有源滤波器,如图5所示为一阶有源低通滤波器电路.将图中的R和C 的位置互换,即得到一阶有源高通滤波器.为了使被抑制的频率成分在截止频率以外衰减更快,可以将几节 RC电路串联使用,而得到高阶有源滤波器,也可将不同性质的RC电路相互串并联使用,得到所谓带通滤波器和带阻滤波器等.
4、微分电路和积分电路
前面三个问题讨论的是不同频率的正弦信号通过RC电路时,电路所反映出的性质.当电路中信号电压发生阶跃变化时,由于电容的充放电的性质,使之被传输的信号发生另一种变化,这就微分电路和积分电路.
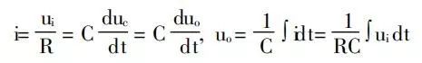
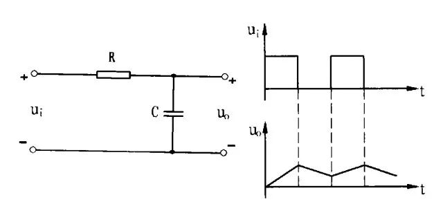
所谓微分电路仍是一节RC电路,输出电压取之于电阻R.当输入电压为阶跃变化的矩形脉冲时,且RC电路的充放电时间常数τ=RC<TK(脉冲宽度)时,能将输入的矩形脉冲变成宽度为τ的尖脉冲.如图6所示,由于时间常数远小于脉冲宽度,脉冲上升沿来到时,电容通过电阻R充电,很快充满,电路中的电流变为零,输出电压变为零,由此在R上得到一个与上升沿相对应的正的尖脉冲.当脉冲下降沿来到时,电容通过电阻R反向放电,同理放电过程很快,在电阻R上得到一个与下降沿对应的负的尖脉冲.由于通过电容的电流为:
即输出电压近似与输入电压的微分成正比,微分电路由此得名.为使输出电压不受负载的影响,RC电路 跟运放组合接成如图7所示的形式,由于运放反向端虚地,输出电压取之于反馈电阻R.微分电路的本质仍是RC电路,运放在此起隔离和缓冲作用.
与微分电路相反,积分电路中输出电压取之与电容.如图8所示,当RC电路的时常数τ=RC>TK(脉冲宽度)时,能将输入的矩形脉冲变成幅度随时间线性变化的锯齿波.由于RC电路 的充放电时间常数τ远大于脉冲宽度TK,脉冲上升沿来到时,电容通过电阻R充电,远没有充满,即刚经过充电曲线的起始部分,脉冲下降沿来到,电容又开始放电,远没有放完,又在上升沿作用下充电,由 此在电容上得到随时间近似成线性变化的锯齿波电压.
因为τ>TK在输入矩形脉冲的持续时间内,电容上的电压上升不多,即:Uo<UR,则:
即输出电压与输入电压的积分成正比,由此得名积分电路.同理,为使RC积分电路不受负载的影响,同样跟运放组合接成如图9形式的电路.运放反向端虚地,输出电压取之于电容.可见积分电路的本质仍是RC 电路,运放在此起隔离和缓冲作用.由上讨论可知:微分电路和积分电路从本质来说都是一节RC电路,微分电路中输出电压取之于电阻,其时间常数远小于脉冲宽度.积分电路中输出电压取之于电容,其时间常数远大于脉冲宽度.
除了上述的四种情况以外,还有一种重要的应用,即根据电容充放电时其两端电压的变化情况,在电路中起延时开关作用,在波形产生电路中和定时电路中有着广泛的应用.
RC电路的本质就是一个分压电路,电路中的传输信号、电路状态发生变化时的跃信号都可作为RC 电路的输入电压,根据需要的不同从电阻R或电容C取出输出电压,并根据电容C的充放电性质,巧妙地选取电路参数和电路结构,使RC电路成为电路中信号传输的桥梁,波形变换的转换器,选取有用信号的滤波器或选频网络。---END---
扫一扫下载订阅号助手,用手机发文章 赞赏
长按二维码向我转账

受苹果公司新规定影响,微信 iOS 版的赞赏功能被关闭,可通过二维码转账支持公众号。
朋友会在“发现-看一看”看到你“在看”的内容