引言:
霍尔传感器是全球排名第三的传感器产品,它被广泛应用到工业、汽车业、电脑、手机以及新兴消费电子领域。
未来几年,随着越来越多的汽车电子和工业设计企业转移到中国,霍尔传感器在中国市场的年销售额将保持20%到30%的高速增长。
与此同时,霍尔传感器的相关技术仍在不断完善中,可编程霍尔传感器、智能化霍尔传感器以及微型霍尔传感器将有更好的市场前景。
什么是霍尔效应?
霍尔效应是磁电效应的一种,这一现象是霍尔(A.H.Hall,1855—1938)于1879年在研究金属的导电机构时发现的。
后来发现半导体、导电流体等也有这种效应,而半导体的霍尔效应比金属强得多,当电流垂直于外磁场通过导体时,载流子发生偏转,垂直于电流和磁场的方向会产生一附加电场,从而在导体的两端产生电势差,这一现象就是霍尔效应,这个电势差也被称为霍尔电势差。霍尔效应应使用左手定则判断。


在式(1)中:若保持控制电流Ic不变,在一定条件下,可通过测量霍尔电压推算出磁感应强度的大小,由此建立了磁场与电压信号的联系,根据这一关系式,人们研制了用于测量磁场的半导体器件即霍尔元件。
霍尔效应的本质是:固体材料中的载流子在外加磁场中运动时,因为受到洛仑兹力的作用而使轨迹发生偏移,并在材料两侧产生电荷积累,形成垂直于电流方向的电场,最终使载流子受到的洛仑兹力与电场斥力相平衡,从而在两侧建立起一个稳定的电势差即霍尔电压。
正交电场和电流强度与磁场强度的乘积之比就是霍尔系数。平行电场和电流强度之比就是电阻率。大量的研究揭示:参加材料导电过程的不仅有带负电的电子,还有带正电的空穴。
什么是霍尔传感器?
霍尔传感器是根据霍尔效应制作的一种磁场传感器,广泛地应用于工业自动化技术、检测技术及信息处理等方面。
通过霍尔效应实验测定的霍尔系数,能够判断半导体材料的导电类型、载流子浓度及载流子迁移率等重要参数。
由于霍尔元件产生的电势差很小,故通常将霍尔元件与放大器电路、温度补偿电路及稳压电源电路等集成在一个芯片上,称之为霍尔传感器。霍尔传感器也称为霍尔集成电路,其外形较小,如下图所示:

霍尔传感器其中某型
霍尔传感器的优点及用途
许多人都知道,轿车的自动化程度越高,微电子电路越多,就越怕电磁干扰。而在汽车上有许多灯具和电器件,尤其是功率较大的前照灯、空调电机和雨刮器电机在开关时会产生浪涌电流,使机械式开关触点产生电弧,产生较大的电磁干扰信号。
采用功率霍尔开关电路可以减小这些现象。霍尔器件通过检测磁场变化,转变为电信号输出,可用于监视和测量汽车各部件运行参数的变化。
例如位置、位移、角度、角速度、转速等等,并可将这些变量进行二次变换;可测量压力、质量、液位、流速、流量等。霍尔器件输出量直接与电控单元接口,可实现自动检测。
目前的霍尔器件都可承受一定的振动,可在零下40℃到零上150℃范围内工作,全部密封不受水油污染,完全能够适应汽车的恶劣工作环境。
霍尔传感器可以测量任意波形的电流和电压,如:直流、交流、脉冲波形等,甚至对瞬态峰值的测量。副边电流忠实地反应原边电流的波形。而普通互感器则是无法与其比拟的,它一般只适用于测量50Hz正弦波
原边电路与副边电路之间有良好的电气隔离,隔离电压可达9600Vrms;
精度高:在工作温度区内精度优于1%,该精度适合于任何波形的测量;霍尔开关器件无触点、无磨损、输出波形清晰、无抖动、无回跳、位置重复精度高(可达μm级)。
宽带宽:高带宽的电流传感器上升时间可小于1μs;但是,电压传感器带宽较窄,一般在15kHz以内,6400Vrms的高压电压传感器上升时间约500uS,带宽约700Hz。
测量范围广泛:电流测量可达50KA,电压测量可达6400V。
结构牢固,体积小,重量轻,寿命长,安装方便,功耗小,频率高(可达1MHZ),耐震动,不怕灰尘、油污、水汽及盐雾等的污染或腐蚀。

上图即是一种典型的霍尔传感器实现定位应用---一个轮上的两个磁铁经过霍尔效应传感器。图示中的轮子,带有两个等距的磁铁,传感器上的电压在一个周期内将两次达到峰值。
通常被用于计量车轮和轴的速度,例如在内燃机点火定时(正时)或转速表上。其在无刷直流电动机的使用,用来检测永磁铁的位置。
霍尔传感器广泛应用在变频调速装置、逆变装置、UPS电源、通信 电源、电焊机、电力机车、变电站、数控机床、电解电镀、微机监测、电网监测等需要隔离检测电流的设施中以及新兴的太阳能、风能和地铁轨道信号、汽车电子等领域。
霍尔传感器的主要特性参数
前面介绍过了霍尔传感器是一种根据霍尔效应制作的磁场传感器,它的主要特性参数有以下几类。
(1)输入电阻R
霍尔传感器元件两激励电流端的直流电阻称为输入电阻。它的数值从几欧到儿百欧,视不同型号的元件而定。
温度升高,输入电阻变小,从而使输入电流变大,最终引起霍尔传感器电势变化。为了减少这种影响,最好采用恒流源作为激励源。
(2)输出电阻R
两个霍尔传感器电势输出端之间的电阻称为输出电阻,它的数位与输入电阻同一数量级。它也随温度改变顺改变。选择适当的负载电阻易与之匹配,可以使由温度引起的程水电势的漂移减至最小。
(3)最大激励电流I---霍尔传感器参数
由于霍尔传感器电势随激励电流的增大而增大,故在应用中总希望选用较大的激励电流1M但激励电流增大,程尔元件的功耗增大,元件的温皮升高,从而引起霍尔传感器屯势的温漂增大,因此每种型号的几件均规定了相应的最大激励电流,它的数值从几毫安至几百毫安。
(4)灵敏度K
灵敏度KH=EH/IB,它的数值约为10MV(MA.T)左右。
(5)最大磁感应强度BM---霍尔传感器参数
磁感应强度超过BM时,霍尔传感器电势的非线性误差将明显增大,特斯捡(T)成几千高斯(Gs)(1Gs=104T)。
(6)个等位电势
在额定激励电流F,当外加磁场为零时它是由于4个屯极的几何尺寸不对称引起的误差。
(7)霍尔传感器屯势温度系数
6M的数值一般为零点刀霍尔传感器输出端之间的开路电压称为不等位电势,使用时多采用电桥法来补偿不等位电势引起日在一定磁感应强度和激励电流的作用下,温度每变化1摄氏度时,霍尔传感器电势变化的百分数弱为霍尔传感器电势温度系数,它与霍尔传感器元件的材料有关。
霍尔传感器的分类
霍尔传感器分为线性型霍尔传感器和开关型霍尔传感器两种。
1)线性型霍尔传感器由霍尔元件、线性放大器和射极跟随器组成,它输出模拟量。

2)开关型霍尔传感器由稳压器、霍尔元件、差分放大器,斯密特触发器和输出级组成,它输出数字量。

按被检测的对象的性质可将它们的应用分为:直接应用和间接应用。前者是直接检测出受检测对象本身的磁场或磁特性,后者是检测受检对象上人为设置的磁场。
霍尔传感器在各大领域的应用
按被检测的对象的性质可将它们的应用分为:直接应用和间接应用。前者是直接检测出受检测对象本身的磁场或磁特性,后者是检测受检对象上人为设置的磁场,用这个磁场来作被检测的信息的载体,通过它,将许多非电、非磁的物理量。
例如力、力矩、压力、应力、位置、位移、速度、加速度、角度、角速度、转数、转速以及工作状态发生变化的时间等,转变成电量来进行检测和控制。
(一)线性型霍尔传感器主要用于一些物理量的测量。
1.电流传感器:

由于通电螺线管内部存在磁场,其大小与导线中的电流成正比,故可以利用霍尔传感器测量出磁场,从而确定导线中电流的大小。
利用这一原理可以设计制成霍尔电流传感器。其优点是不与被测电路发生电接触,不影响被测电路,不消耗被测电源的功率,特别适合于大电流传感。
霍尔电流传感器工作原理如图所示:

标准圆环铁芯有一个缺口,将霍尔传感器插入缺口中,圆环上绕有线圈,当电流通过线圈时产生磁场,则霍尔传感器有信号输出。
2.位移测量:
如图所示:

两块永久磁铁同极性相对放置,将线性型霍尔传感器置于中间,其磁感应强度为零,这个点可作为位移的零点,当霍尔传感器在Z轴上作△Z位移时,传感器有一个电压输出,电压大小与位移距离大小成正比。
如果把拉力、压力等参数变成位移距离,便可测出拉力及压力的大小,如下图所示,是按这一原理制成的力矩传感器。

(二)开关型霍尔传感器主要用于测转数、转速、风速、流速、接近开关、关门告知器、报警器、自动控制电路等。
1.测转速或转数:
如下图所示:

在非磁性材料的圆盘边上粘一块磁钢,霍尔传感器放在靠近圆盘边缘处,圆盘旋转一周,霍尔传感器就输出一个脉冲,从而可测出转数(计数器),若接入频率计,便可测出转速。
如果把开关型霍尔传感器按预定位置有规律地布置在轨道上,当装在运动车辆上的永磁体经过它时,可以从测量电路上测得脉冲信号。根据脉冲信号的分布可以测出车辆的运动速度。
2.各种实用电路:
开关型霍尔传感器尺寸小、工作电压范围宽,工作可靠,价格便宜,因此获得极为广泛的应用。
下面列举一个实例说明:
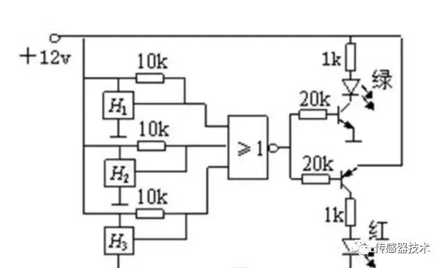
汽车车门状态显示:

现在汽车一般都有该功能了。这里使用了霍尔传感器,只要再配置一块小永久磁铁就很容易做成车门是否关好的指示器,配置电路示意如下:

三片开关型霍尔传感器分别装在汽车的四个门框上,在车门适当位置各固定一块磁钢,当车门开着时,磁钢远离霍尔开关,输出端为高电平。若四个门中有一个未关好,则或非门输出为低电平,红灯亮,表示还有门未关好,若三个门都关好,则或非门输出为高电平,绿灯亮,表示车门关好,司机可放心开车。
霍尔传感器展望
霍尔传感器在中国市场增长率为两位数,在我们的日常生活中,霍尔传感器被广泛应用。例如,在翻盖或是滑盖的手机中,用来检测手机盖翻开或是滑动的器件就是霍尔传感器;再如,在电脑键盘上,实现光标移动的滚动键就是由霍尔传感器组成的;还有,在汽车变速箱、电动门窗等需要电机的部件中也有霍尔传感器应用。我们在每天的生活中都在与霍尔传感器打交道。
霍尔传感器应用的领域不同,因此各个市场对它的要求也不尽相同。手机市场对霍尔传感器的主要要求包括尺寸、功耗和可调节的阈值。在工业和汽车应用方面,霍尔传感器首先要满足工业或汽车认证对器件的要求,例如安全性、稳定性和温度范围要达到相应的级别。
随着这些终端应用产品的不断发展,霍尔传感器也呈现微型化、高集成化、高灵敏度、耐温性发展。
- END -
制造业的未来是智能化,智能化的基础就是传感器;互联网的方向是物联网,物联网的基石也是传感器;
《传感器技术》汇编了一套各种传感器的基础知识,介绍了各种传感器的原理。
【点击蓝色标题,获取文章】
3、一文读懂磁传感器
10、一文读懂光纤传感器
11、一文读懂温湿度传感器
12、一文读懂图像传感器
13、一文读懂生物传感器
14、一文读懂霍尔传感器
15、一文读懂距离传感器
16、一文读懂氧传感器
17、一文读懂风向风速传感器
18、一文读懂纳米传感器
19、一文读懂红外传感器
21、一文读懂气体传感器
23、汽车传感器今日谈
24、一文读懂手机传感器
25、一文读懂医疗传感器
26、一文读懂化学传感器
28、一文读懂换能器
29、一文读懂旋转编码器
30、一文读懂变速器
31、一文读懂振动传感器
32、一文读懂电容传感器
33、一文读懂电涡流传感器
34、一文读懂电感式传感器
35、一文读懂光栅传感器
36、一文读懂压电式传感器
37、一文读懂烟雾传感器
38、一文读懂电阻式传感器
39、无线网路传感器详解


为您发布产品,请点击“阅读原文”
