单片机硬件电路设计实例分析



点击文末“阅读原文”免费下载《单片机硬件电路设计实例(工程师多年经验总结)》

也可复制以下链接打开下载地址:

https://mbb.eet-china.com/download/20360.html

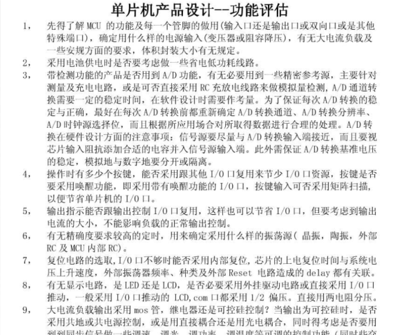
1, 先得了解MCU 的功能及每一个管脚的作用,确定用什么样的电源输入,有无大电流负载及一些安规方面的要求,体积封装大小有无规定.

2, 采用电池供电时是否要考虑做一些省电低功耗线路

3, 带检测功能的产品是否用到A/D功能,有无必要用到一些精密参考源,主要针对测量及充电电路,或是可否直接采用RC充放电线路来做模拟量检测, A/D通道转换需要一定的稳定时间,在软件设计时需要作考量。为了保证每次A/D转换的稳定与正确,最好在每次A/D转换前都重新确定A/D转换通道、A/D转换分辨率、A/D时钟源选择位,而且根据所应用场合对所取得数据进行合理的处理。A/D转换在硬件设计方面的注意事项:信号源要尽量与A/D转换输入端接近,而且要视芯片输入阻抗添加合适的电容并入信号源输入端。此外需保证A/D转换基准电压的稳定,模拟地与数字地要分开或隔离。

4, 操作时有多少个按键,能否采用跟其他I/O口复用,按键是否采用唤醒功能,即采用带有唤醒功能的I/O口,按键输入可否采用矩阵扫描,以便节省单片机的I/O

5, 输出指示能否跟输出控制I/O复用,这样可以节省I/O,但要考虑到输出电流的大小,不能影响负载的正常输出控制

6, 有无精确度要求较高的定时,用来确定采用什么样的振荡源( 晶振,陶振及RC)

7, 复位电路的选取,I/O不够时能否采用内部复位, 芯片的上电复位时间与系统电压上升速度,外部振荡器频率、种类及外部Reset 电路造成的delay都有关联。

8, 有无显示电路,是LED还是LCD,是否必要采用外挂驱动IC 或直接采用i/o推动,一般采用I/O推动的 LCD都采用1/2 偏压

9, 大电流负载输出采用mos管,继电器还是可控控制,当输出为可控时,是否采用共地或共电源控制,或是直接用耦合或用光电耦合,同时得考虑是否要用到到同步信号做一些调速、调光、调功、调温度待可调的功能(同时些交流同步信号也可以做一些定时产品的参考)

10, 输入尽可能放在同一I/O,输出放在同一I/O,同时应该考虑到PCB布线,输入输出保护电阻应尽可能靠近I/O口

11, I/O口内部有无上拉电阻,有些I/O只能做单一的输入且无上拉电阻

12, 对空闲口的设置,空闲口一般设定为输入上拉或输出低电平。对ADC I/O通道,应用P4CON的设定,可以避免I/O口的漏电流。对于不同的外部硬件电路,考虑I/O的状态设置,设定不当,会有漏电流,特别 注意上拉电阻的正确设定,若 I/O 在 outputlow level, 又将pull-up enable会造成漏电, 例如: VDD=5V 会有约 5V / 100K = 50uA 漏电.

输入部分电路的设计

按键部分硬件电路部分应用实例

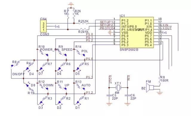
普通独立按键:

图中S1、S2、S3为常用的三种按键,其中S3接在U1第4脚为低电平触发脚有效,因为U1第4脚内部没有上拉电阻,所以得在U1第4脚外面接一上拉电阻以确保在不按下按键时让U1第4脚维持在高电平状态,采用S2接法时,为高电平触发有效,因这颗IC内部没有下拉电阻,所以得在U1第4脚外面接一下拉电阻以确保在不按下按键时让U1第4脚维持在低电平状态,S1因Ic内部有上拉电阻,则不要外加器件

纯按键矩阵描按键:

电路中扫描口都得为双向的I/O口,如此电路是用电池供电需要省电功能(让ic进睡眠模式),则将COM1、COM2或SEG口用到具有唤醒功能的I/O口即可。

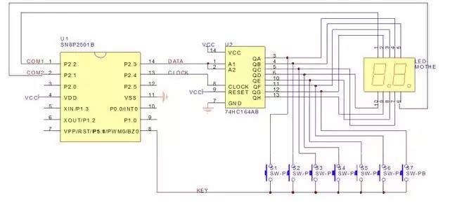
LED矩阵描复用按键:

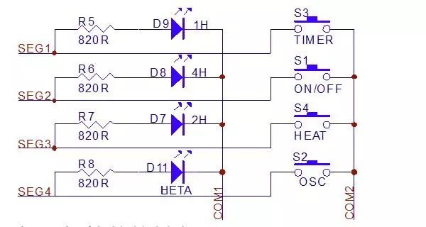
二极管的按键复用1:

二极管的按键复用2:

二极管的按键复用3:

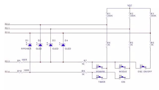
电阻并联型复用:

电阻的按键复用:

上图中按键同样可以复用在COM口上!

采用移位寄存器的按键复用:

采用A/D功能的按键:

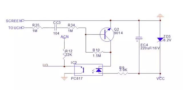
触摸式按键:

在目前MCU应用领域里,很多场合都离不开开关信号,这些开关信号的实现都是通过按键操作实现。而传统的按键应用最广最普遍的就是机械式按键(或称为B键),这一类按键的共同点就是透过金属触点来得到开关信号,也正是这些共同点决定了机械式按键的应用场合和使用寿命。如在一些带有油烟或腐蚀性气体的应用场合;另外,在很多小家电应用领域,也都是在模具表面开孔,使用PVC胶来做按键触摸点,这些PVC胶随着使用时间的增加也很容易损坏。因此,目前市场上出现了一种新型的按键输入方式——触摸式按键(或称感应型按键)。

顾名思义,这种按键输入方式与传统机械式按键不同,它不需要金属触点,取而代之的是感应人体的触摸动作。目前市场上常见的触摸按键方案中,多为采用MCU+专用IC以及只用MCU实现两种,在MCU+专用IC方案中,具有代表性的触摸信号专用IC是英国昆腾(QUANTUM)公司的QT系列IC,如QT1080就是带有8路独立触摸按键输入的处理芯片。但是使用MCU+专用IC方案面临的一大挑战就是其抗干扰能力不强以及其成本较高的问题,也正是这一缺陷决定了在很多MCU应用场合这种方案显得有些无能为力了。下面就从应用的角度对采用独立MCU方案开发感应型按键的原理进行讨论。

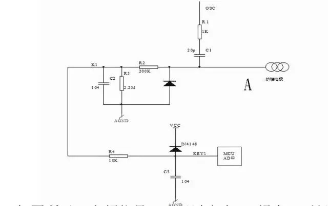
一、 感应型按键的电气原理

这种感应型按键的实现原理是基于电容对高频脉冲信号的耦合特性,通常称该电容为耦合电容。当该耦合电容的容值发生改变时,经过该电容耦合得到的高频脉冲的高电平幅值将发生改变。如图所示:

如图所示,高频信号OSC经过电容C1耦合,再经过电容C2滤波,这样在K1点可以得到一直流信号;A点为按键电极连接点,电极的表面可以是一些如玻璃或塑料的绝缘物质。当人体透过电极表面的介质触摸按键时,此时人体、电极和这些介质就等效成一个电容,该等效电容与耦合电容C1并联,最终就相当与改变了耦合电容的容值,从而经由C1耦合得到的高频脉冲的高电平幅值就将发生变化,在K1点得到的直流信号也将随之发生改变。当人体接触按键时,K1点的电压将降低。由MCU的AD口读取K1点的电压变化,便可知道按键与否。K1点的电压变化范围一般在几十至一百毫伏范围变化,这与电极表面的介质和高频信号的频率有关。在有些应用中,由于K1点的电压变化太小,通常还会在K1点接一级放大器,这样MCU AD口端的电平变化范围将相应变大。由于SONiX 8bit MCU,至少提供12bit 的AD,所以在采用SONiX 8bit MCU开发时并不需要增加一级放大电路。

针对上图所示的参数,下面将给出A点在人体触摸前后的波形变化(电极表面的介质为压克力板)。

人体触摸前A点的波形

人体触摸时A点的波形

对于高频脉冲的产生,通常都在几百KHz,根据具体的应用可以有不同的选择。常见的电路形式有采用NE555和CD4069:

通常SONiX的MCU都有提供至少一路PWM功能,根据应用的需求,也可以采用该PWM功能作为

高频脉冲发生器。对于应用中可能会出现按键数量超出MCU提供的AD通道数的情形,此时可以增加一模拟开关,如CD4051。

一、 感应型按键的软件实现

从上述电气原理的讨论中,可以看出,到达MCU AD口的直流信号并不是十分理想的直流信号,由于是经由104电容滤波直接得到,其纹波系数很大,因此,在软件的实现中,应充分考虑AD口信号的正常波动。其次,程序判断按键与否的根据是AD口信号变化的大小,当AD值负变化达到给定量时,认为有键按下;反之,AD值正变化达到给定量时,则认为是按键弹起。

由于程序判定按键的根据是AD值的变化量,所以在程序中,还应确定一个基准值,所有的变化量都应相对这个基准值,一般情况下,在上电时应将这个基准值确定,或通过实验计算出一个基准值保存在程序中,但后者随着使用时间的增加,可能会出现基准值变化而导致按键失灵,最好的做法是将两者都考虑进去。

在程序中应充分考虑对AD值做数字滤波处理,常见的数字滤波如滑动平均值滤波和中位值滤波,在此不讨论具体的滤波算法,可以参考相关的书籍。此外,程序中还应做好按键去抖动的动作,这是任何形式的按键处理程序都应考虑的。

通过以上对感应型按键的原理的讨论,重点在于如何使得整个系统稳定可靠,即抗干扰能力要强,这主要与程序编制有关。所以,关键的还是强调程序处理。本人按照上面讨论的原理,有做一跑马灯DEMO,可以轻松通过EFT日规2000V测试

一种简易的接触式触摸电路:

直接采用人体感应电压去改变输入检测口的电平做按键检测,此电路稳定性比较差,但成本低,图中的触摸开关为一导体。

常见的单片机输入部分线路:

风扇外壳触摸保检测电路:

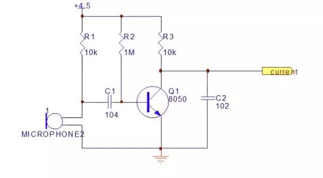
高灵敏度MIC声控线路:

R9可以调节灵敏度

单管mic放大电路:

压电陶瓷蜂鸣片声控电路:

自动增益控制的随音乐变化转换电路:


-END-


单片机硬件电路设计实例(工程师多年经验总结)

...
点击阅读原文可直接下载完整资料,如果您的手机下载出错,请使用电脑访问网站下载,下载链接:https://mbb.eet-china.com/download/20360.html