点击蓝字关注我们
1
血氧仪测量电路的设计

指夹式脉搏血氧仪硬件检测电路主要有4个部分组成,光电传感器部分、模拟信号处理单元、MCU处理单元和显示输出部分。首先,光电传感器将采集到的信号传输至模拟信号处理电路;其次,模拟信号处理单元对接收到的信号进行I/V转换、采样、滤波、放大和分离,将分离后的4路信号(红光交流信号、红光直流信号、红外交流信号、红外直流信号)传输到RJM8L151的ADC处理单元,MCU处理单元对数据进行处理、转换和存储,处理结果送至显示输出部分由OLED显示屏显示出来,或通过BLE传送到手机APP。
传感器部分由一个双向驱动的双波长LED作为发光元件和一个光电二极管作为感光器件。由于两个波长的光信号共用同一个光电二极管,我们采用分时复用的工作方式驱动光电二极管,周期性点亮两个LED,来实现在同一条传输路径上检测两路光信号。为了得到两路独立的信号,我们采用与LED驱动脉冲同步的控制信号控制采用保持电路来实现信号的分离,分别得到红外和红光两路信号。LED驱动时序脉冲和采样保持电路切换时序脉冲都由RJM8L151的GPIO提供。

模拟信号处理单元完成对光电二级管采集信号的处理,包括信号转换、采样保持、放大、滤波和补偿等功能。由于光电二极管输出的信号是电流信号,先要转换成电压信号才能被后续电路处理。而且光电二极管工作在反向偏置状态,其结电阻较大,输出电流较小。所有要选用输入阻抗较高的运算放大器做为I/V转换的TIA。
电流-电压变换电路输出的是两种光分时复用的信号,要将两种光的信号分离就要用两路独立的采样保持电路,用RJM8L151的GPIO来控制和切换两路采样保持电路,并且要与LED驱动脉冲的控制脉冲同步。
由于分离出来的交流信号非常微弱,为了消除直流分量和高频干扰,电路中采用带通滤波器处理红光和红外信号。带通滤波器由高通和低通两部分组成,其中高通部分采用RC滤波网络来滤除直流分量,其截至频率设置为0.23Hz。低通部分采用二阶低通滤波电路,其截至频率为0.48Hz。
2
测量MCU的选择
指夹式脉搏血氧仪通常采用2节干电池供电,整机功耗在设计中必须重点考虑,其中MCU的功耗尤为重要。瑞纳捷电子推出了RJM8L151系列是超低功耗MCU,非常适用于电池供电的物联网终端设备。RJM8L151系列不仅具备出色的运行和待机功耗表现,还内置12位高精度逐次逼近型ADC和2通道的多功能比较器,对微弱信号传感器的高精度、实时检测极为有益。RJM8L151丰富的外围接口使扩展各种通信模块、功能模块更加方便。RJM8L151基于增强型哈佛架构的CPU内核和多级流水线指令系统,相同时钟频率的处理性能是传统8051的3倍,采用Keil uVision或IAR集成开发环境开发调试应用代码。RJM8L151系列MCU的硬件框图如下图所示。

RJM8L151的正常工作电压范围是1.62V到5.5V,非常适合2节、3节干电池直接供电,省掉额外的LDO电路,另外RJM8L151低至0.5uA的待机电流,既能保持内部RTC的正常计时,又能保持SRAM数据不变,该性能可大大减小系统对电池容量尺寸的要求。RJM8L151具有6种电源管理模式,通过裁剪时钟树的方式关闭时钟来实现不同需求的功耗。一般情况下使用内部低速时钟就可以完成对外部中断的响应,同时又可以保持很低的功耗,这是同类MCU无法做到的。另外,RJM8L151从低功耗状态唤醒小于5us,可以实现快速睡眠快速唤醒低占空比工作,这又极大的降低了系统功耗。
RJM8L151有4个时钟源:内部高速时钟、内部低速时钟、外部高速时钟和外部低速时钟。RJM8L151的时钟控制模块将这几个时钟源通过灵活的配置分频实现不同的功耗和性能需求。辅助系统时钟可以使用内部低速时钟或外部低速时钟实现低功耗的要求,主系统时钟提供给RJM8L151的CPU,子系统时钟为外设提供给时钟源。多样的时钟资源可以降低系统消耗,辅助系统时钟在保持低功耗的同时也可以接受外部中断,响应外部环境的变化。使用内部高速RC振荡器作为主系统时钟,不仅可以省去一个外部的高速晶振,同时可以快速唤醒MCU来降低功耗。
模拟电路方面,RJM8L151有7通道12位逐次逼近型ADC,采样转换速率高达1MSPS,支持外部参考电压输入。
RJM8L151设计了丰富的定时模块,包括2个16位基本定时器,1个16位通用定时器支持输入捕获/输出比较/PWM输出功能。2个16位高级定时器除了支持输入捕获/输出比较/PWM输出功能,还支持12对互补PWM输出。1个实时时钟RTC模块,产生年、月、日、时、分、秒,并有自动闰年补偿功能,采用外部32.768kHz晶振提供时钟可使计时误差更小。RJM8L151内嵌15位窗口看门狗定时器,采用系统时钟计时,溢出时可产生中断或复位信号,待机模式下停止计数。
RJM8L151单片机的开发环境是Keil uVision。Keil是全球领先的嵌入式系统开发工具供应商,uVision是C/C++编译器和调试器的集成开发环境(IDE),其中的Keil C51支持RJM8L151的开发调试,该环境集编辑、编译、仿真于一体,支持汇编和C语言的程序设计。
RJM8L151系列MCU配备了高效的在线仿真器和下载器,既可以方便前期开发调试又为后期生产安装提供了方便。RJM8L151支持标准JTAG下载和调试,可以不使用仿真器,用离线编程器就可以实现对内存Flash的修改,提高了批量烧录的效率,也为程序升级维护提供了方便。
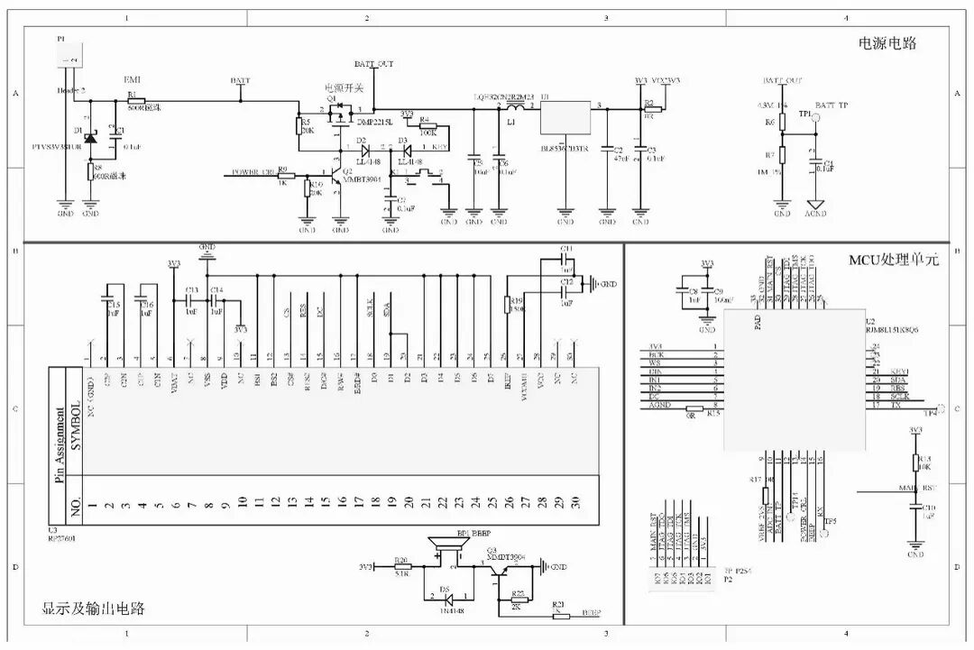
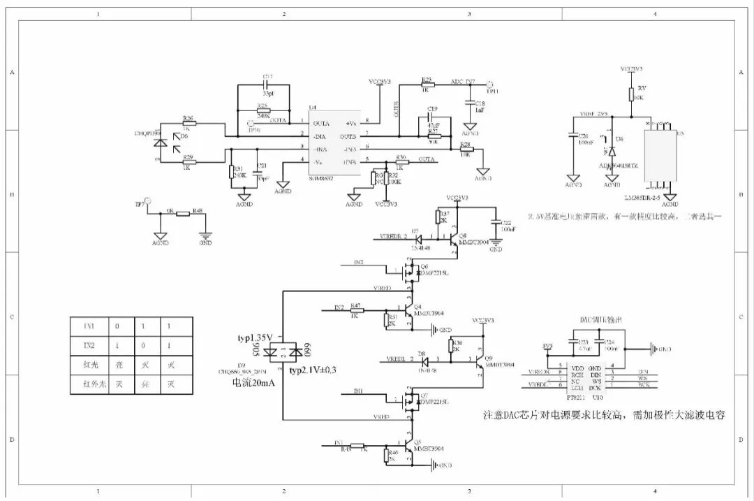
基于RJM8L151K8Q6
的方案原理图
3
基于RJM8L151K8的方案原理图如下所示。


4
基于RJM8L151K8Q6的指甲式血氧仪BOM清单

扫描二维码关注我们

微信号 : WuhanRunjet
官网:www.runjetic.com