合宙Luat | 从Cat.4切换到Cat.1,还需掌握关键几「脚」

金艺 合宙Luat 昨天
来自专辑
合宙4G Cat.1实用教程系列


合宙推出的高性价比4G Cat.1系列新品模组中,Air720UG/Air720UH两款均采用32.0 x 29.0 x 2.3 mm行业经典封装,兼容合宙Air720/Air720S系列4G Cat.4模组,广大用户无需更改原有硬件设计,即可根据需求轻松实现从Cat.4到Cat.1的切换。


本文特别针对部分管脚功能差异细节,详列注意事项,助你快速掌握关键要点,无需翻阅对比厚厚的硬件设计手册。









1


了解三大系列4G模块管脚图





4G Cat.1 Air720U系列模块管脚图








4G Cat.4 Air720系列模块管脚图








4G Cat.4 Air720S系列模块管脚图









2


从Cat.4切换到Cat.1的注意事项





1
  第62脚     


Air720U 系列模块第 62GPIO_13 有特殊功能,在上电的时候不能把 GPIO_13 上拉到 1.8V。

如果在上电的时候把 GPIO_13 上拉到 1.8V,模块会进入校准模式,不会正常开机; 

Air720 系列模块的第 62 脚为 GPIO_56 ,无特殊要求;

Air720S 系列模块的第 62 脚为 GPIO_23 ,无特殊要求。







2
  第21脚    


三个系列第21脚都是模块的开机信号PWRKEY, PWRKEY内部有上拉,拉低 PWRKEY 可以使模块开机。

区别如下:

Air720U 系列模块 PWRKEY 的内部上拉为强上拉,需要用小于 1K 的电阻来拉低,建议直接拉低;

Air720 和 Air720S 系列模块 PWRKEY 的内部上拉为弱上拉,用 10K 电阻来拉低也可以使模块开机;






3
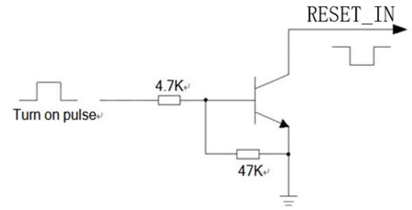
  第20脚    


三个系列第20脚都是模块的复位信号RESET_IN_N,内部有上拉,拉低 RESET_IN_N 可以使模块重启。


区别如下:

Air720U 系列模块的 RESET_IN_N 上拉到了 VBAT;

Air720和Air720S系列模块的RESET_IN_N 上拉到了 V_GLOABLE_1V8。


推荐用 OC 电路来控制模块的重启,参考电路如下:








4
  第 4 脚    


Air720U 系列模块的第 4 脚不能用作 GPIO 来使用,也不支持用作飞行模式控制管脚;







5
  第24-27脚    


Air720U 系列模块支持 VOLTE,第 24、25、26、27 脚可以直接输入输出模拟音频;

Air720 和Air720S 系列模块的第 24、25、26、27 脚是PCM 管脚,需要外加 CODEC。




相关注意事项就写到这里,如有疑问请加入合宙Cat.1技术QQ群:1092305811,与技术大咖、行业人士共同探讨。




感谢阅览本期内容,欢迎文末留言互动


扫码关注合宙Luat公众号




一、 留言互动

参与微信公众号合宙Luat的最新推文留言互动,最先留言的前五位朋友可获得五折券一张;


二、 好友助力

关注合宙Luat公众号并后台留言:五折券,获取助力码后每邀请五位好友成功助力,即可获得五折券一张,多分享多获赠。


五折券使用说明:

由合宙Luat公众号菜单【合宙商城】进入,商城全场除团购、限量特价外均可使用。每个订单结算限使用一张,每张券最多可购买相同或不同产品共计3个,不与其他优惠活动叠加。









如果喜欢,请快意三连击,和更多人一起了解物联网↓↓↓