
电路问题计算的先决条件是正确识别电路,搞清楚各部分之间的连接关系。对较复杂的电路应先将原电路简化为等效电路,以便分析和计算。识别电路的方法很多,现结合具体实例介绍十种方法。
一、特征识别法
串并联电路的特征是;串联电路中电流不分叉,各点电势逐次降低,并联电路中电流分叉,各支路两端分别是等电势,两端之间等电压。根据串并联电路的特征识别电路是简化电路的一种最基本的方法。
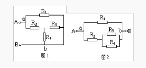
例 1. 试画出图 1 所示的等效电路。

解:设电流由 A 端流入,在 a 点分叉,b 点汇合,由 B 端流出。支路 a—R1—b 和 a—R2—R3(R4)—b 各点电势逐次降低,两条支路的 a、b 两点之间电压相等,故知 R3 和 R4 并联后与 R2 串联,再与 R1 并联,等效电路如图 2 所示。
二、伸缩翻转法
在实验室接电路时常常可以这样操作,无阻导线可以延长或缩短,也可以翻过来转过去,或将一支路翻到别处,翻转时支路的两端保持不动;导线也可以从其所在节点上沿其它导线滑动,但不能越过元件。这样就提供了简化电路的一种方法,我们把这种方法称为伸缩翻转法。
例 2. 画出图 3 的等效电路。

解:先将连接 a、c 节点的导线缩短,并把连接 b、d 节点的导线伸长翻转到 R3—C—R4 支路外边去,如图 4。
再把连接 a、C 节点的导线缩成一点,把连接 b、d 节点的导线也缩成一点,并把 R5 连到节点 d 的导线伸长线上(图 5)。由此可看出 R2、R3 与 R4 并联,再与 R1 和 R5 串联,接到电源上。
三、电流走向法
我们一直寻找的,却是自己原本早已拥有的;我们总是东张西望,唯独漏了自己想要的,这就是我们至今难以如愿以偿的原因。
电流是分析电路的核心。从电源正极出发(无源电路可假设电流由一端流入另一端流出)顺着电流的走向,经各电阻绕外电路巡行一周至电源的负极,凡是电流无分叉地依次流过的电阻均为串联,凡是电流有分叉地分别流过的电阻均为并联。
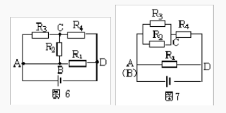
例 3. 试画出图 6 所示的等效电路。

解:电流从电源正极流出过 A 点分为三路(AB 导线可缩为一点),经外电路巡行一周,由 D 点流入电源负极。第一路经 R1 直达 D 点,第二路经 R2 到达 C 点,第三路经 R3 也到达 C 点,显然 R2 和 R3 接联在 AC 两点之间为并联。二、三络电流同汇于 c 点经 R4 到达 D 点,可知 R2、R3 并联后与 R4 串联,再与 R1 并联,如图 7 所示。
四、等电势法
在较复杂的电路中往往能找到电势相等的点,把所有电势相等的点归结为一点,或画在一条线段上。当两等势点之间有非电源元件时,可将之去掉不考虑;当某条支路既无电源又无电流时,可取消这一支路。我们将这种简比电路的方法称为等电势法。
例 4. 如图 8 所示,已知 R1 = R2 = R3 = R4 = 2Ω ,求 A、B 两点间的总电阻。

解:设想把 A、B 两点分别接到电源的正负极上进行分析,A、D 两点电势相等,B、C 两点电势也相等,分别画成两条线段。电阻 R1 接在 A、C 两点,也即接在 A、B 两点;R2 接在 C、D 两点,也即接在 B、A 两点;R3 接在 D、B 两点,也即接在 A、B 两点,R4 也接在 A、B 两点,可见四个电阻都接在 A、B 两点之间均为并联(图 9)。所以,PAB=3Ω。
五、支路节点法
节点就是电路中几条支路的汇合点。所谓支路节点法就是将各节点编号(约定;电源正极为第 1 节点,从电源正极到负极,按先后次序经过的节点分别为 1、2、3……),从第 1 节点开始的支路,向电源负极画。可能有多条支路(规定:不同支路不能重复通过同一电阻)能达到电源负极,画的原则是先画节点数少的支路,再画节点数多的支路。然后照此原则,画出第 2 节点开始的支路。余次类推,最后将剩余的电阻按其两端的位置补画出来。
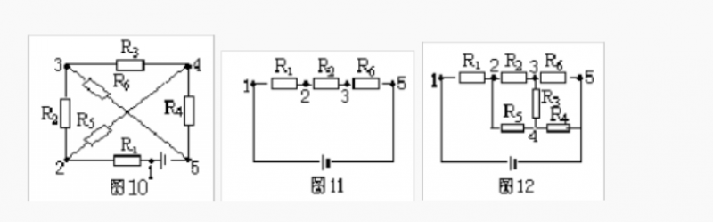
例 5. 画出图 10 所示的等效电路。

解:图 10 中有 1、2、3、4、5 五个节点,按照支路节点法原则,从电源正极(第 1 节点)出来,节点数少的支路有两条:R1、R2、R5 支路和 R1、R5、R4 支路。取其中一条 R1、R2、R5 支路,画出如图 11。
再由第 2 节点开始,有两条支路可达负极,一条是 R5、R4,节点数是 3,另一条是 R5、R3、R5,节点数是 4,且已有 R6 重复不可取。所以应再画出 R5、R4 支路,最后把剩余电阻 R3 画出,如图 12 所示。
六、几何变形法
几何变形法就是根据电路中的导线可以任意伸长、缩短、旋转或平移等特点,将给定的电路进行几何变形,进一步确定电路元件的连接关系,画出等效电路图。
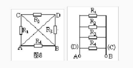
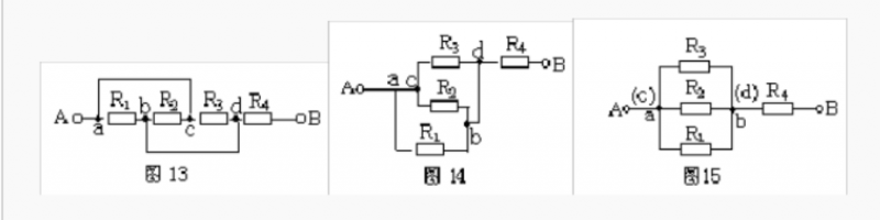
例 6. 画出图 13 的等效电路。

解:使 ac 支路的导线缩短,电路进行几何变形可得图 14,再使 ac 缩为一点,bd 也缩为一点,明显地看出 R1、R2 和 R5 三者为并联,再与 R4 串联(图 15)。
七、撤去电阻法
根据串并联电路特点知,在串联电路中,撤去任何一个电阻,其它电阻无电流通过,则这些电阻是串联连接;在并联电路中,撤去任何一个电阻,其它电阻仍有电流通过,则这些电阻是并联连接。

仍以图 13 为例,设电流由 A 端流入,B 端流出,先撤去 R2,由图 16 可知 R1、R3 有电流通过。再撤去电阻 R1,由图 17 可知 R2、R3 仍有电流通过。同理撤去电阻 R3 时,R1、R2 也有电流通过由并联电路的特点可知,R1、R2 和 R3 并联,再与 R4 串联。
八、独立支路法
让电流从电源正极流出,在不重复经过同一元件的原则下,看其中有几条路流回电源的负极,则有几条独立支路。未包含在独立支路内的剩余电阻按其两端的位置补上。应用这种方法时,选取独立支路要将导线包含进去。
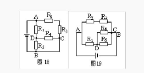
例 7. 画出图 18 的等效电路。
方案一:选取 A—R2—R3—C—B 为一条独立支路,A—R1—R5—B 为另一条独立支路,剩余电阻 R4 接在 D、C 之间,如图 19 所示。

方案二:选取 A—R1—D—R4—C—B 为一条独立支路,再分别安排 R2、R3 和 R5,的位置,构成等效电路图 20。
方案三:选取 A—R2—R3—C—R4—D—R5—B 为一条独立支路,再把 R1 接到 AD 之间,导线接在 C、B 之间,如图 21 所示,结果仍无法直观判断电阻的串并联关系,所以选取独立支路时一定要将无阻导线包含进去。

九、节点跨接法
将已知电路中各节点编号,按电势由高到低的顺序依次用 1、2、3……数码标出来(接于电源正极的节点电势最高,接于电源负极的节点电势最低,等电势的节点用同一数码,并合并为一点)。然后按电势的高低将各节点重新排布,再将各元件跨接到相对应的两节点之间,即可画出等效电路。
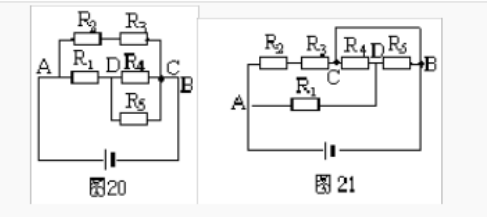
例 8. 画出图 22 所示的等效电路。

解:节点编号:如图 22 中所示。
节点排列:将 1、23 节点依次间隔地排列在一条直线上,如图 23。
元件归位:对照图 22,将 R1、R2、R3、R4 分别跨接在排列好的 1、2 得等效电路如图 24。
十、电表摘补法
若复杂的电路接有电表,在不计电流表 A 和电压表 V 的内阻影响时,由于电流表内阻为零,可摘去用一根无阻导线代替;由于电压表内阻极大,可摘去视为开路。用上述方法画出等效电 搞清连接关系后,再把电表补到电路对应的位置上。

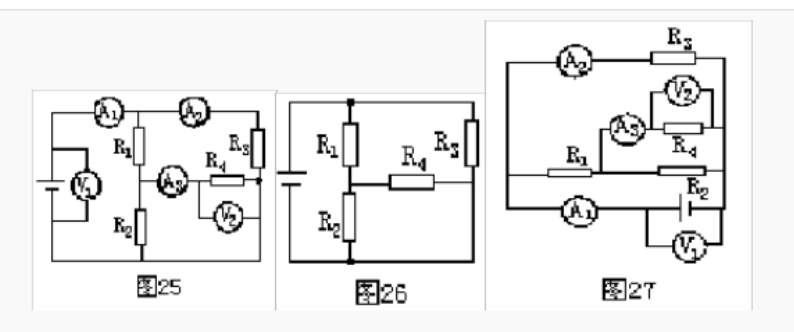
例 9. 如图 25 的电路中,电表内阻的影响忽略不计,试画出它的等效电路。
解:先将电流去,用一根导线代摘替,再摘去电压表视为开路,得图 26。然后根据图 25 把电流表和电压表补接到电路中的对应位置上,如图 27 所示。
来源:面包板社区
免责声明:本文系网络转载,版权归原作者所有。本文所用视频、图片、文字如涉及作品版权问题,请第一时间告知,我们将根据您提供的证明材料确认版权并按国家标准支付稿酬或立即删除内容!本文内容为原作者观点,并不代表本公众号赞同其观点和对其真实性负责。


为您发布产品,请点击“阅读原文”
