资深工程师总结10种复杂电路分析方法

图片


电路问题计算的先决条件是正确识别电路,搞清楚各部分之间的连接关系。对较复杂的电路应先将原电路简化为等效电路,以便分析和计算。

识别电路的方法很多,现结合具体实例介绍十种方法。


特征识别法


并联电路的特征是:串联电路中电流不分叉,各点电势逐次降低,并联电路中电流分叉,各支路两端分别是等电势,两端之间等电压。根据串并联电路的特征识别电路是简化电路的一种最基本的方法。

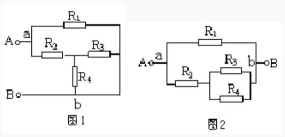
举例:试画出图 1 所示的等效电路。



图片



解:设电流由 A 端流入,在 a 点分叉,b 点汇合,由 B 端流出。支路 a—R1—b 和 a—R2—R3(R4)—b 各点电势逐次降低,两条支路的 a、b 两点之间电压相等,故知 R3 和 R4 并联后与 R2 串联,再与 R1 并联,等效电路如图 2 所示。

伸缩翻转法


在实验室接电路时常常可以这样操作,无阻导线可以延长或缩短,也可以翻过来转过去,或将一支路翻到别处,翻转时支路的两端保持不动;导线也可以从其所在节点上沿其它导线滑动,但不能越过元件。这样就提供了简化电路的一种方法,我们把这种方法称为伸缩翻转法。

举例:画出图 3 的等效电路。



图片



解:先将连接 a、c 节点的导线缩短,并把连接 b、d 节点的导线伸长翻转到 R3—C—R4 支路外边去,如图 4。

再把连接 a、c节点的导线缩成一点,把连接 b、d 节点的导线也缩成一点,并把 R5 连到节点 d 的导线伸长线上(图 5)。由此可看出 R2、R3 与 R4 并联,再与 R1 和 R5 串联,接到电源上。

电流走向法


电流是分析电路的核心。从电源正极出发(无源电路可假设电流由一端流入另一端流出)顺着电流的走向,经各电阻绕外电路巡行一周至电源的负极,凡是电流无分叉地依次流过的电阻均为串联,凡是电流有分叉地分别流过的电阻均为并联。

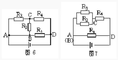
举例:试画出图 6 所示的等效电路。



图片



解:电流从电源正极流出过 A 点分为三路(AB 导线可缩为一点),经外电路巡行一周,由 D 点流入电源负极。第一路经 R1 直达 D 点,第二路经 R2 到达 C 点,第三路经 R3 也到达 C 点,显然 R2 和 R3 接联在 AC 两点之间为并联。二、三路电流同汇于 c 点经 R4 到达 D 点,可知 R2、R3 并联后与 R4 串联,再与 R1 并联,如图 7 所示。

电势


在较复杂的电路中往往能找到电势相等的点,把所有电势相等的点归结为一点,或画在一条线段上。当两等势点之间有非电源元件时,可将之去掉不考虑;当某条支路既无电源又无电流时,可取消这一支路。我们将这种简比电路的方法称为等电势法。

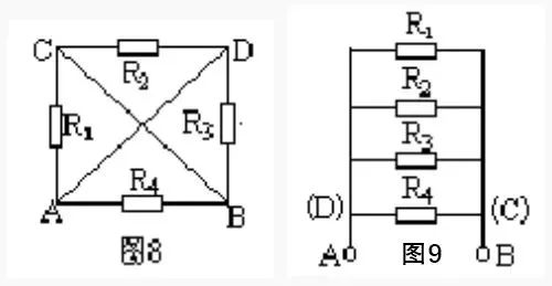
举例:如图 8 所示,已知 R1 = R2 = R3 = R4 = 2Ω ,求 A、B 两点间的总电阻



图片



解:设想把 A、B 两点分别接到电源的正负极上进行分析,A、D 两点电势相等,B、C 两点电势也相等,分别画成两条线段。电阻 R1 接在 A、C 两点,也即接在 A、B 两点;R2 接在 C、D 两点,也即接在 B、A 两点;R3 接在 D、B 两点,也即接在 A、B 两点,R4 也接在 A、B 两点,可见四个电阻都接在 A、B 两点之间均为并联(图 9)。所以,PAB=3Ω。

支路节点法


节点就是电路中几条支路的汇合点。所谓支路节点法就是将各节点编号(约定:电源正极为第 1 节点,从电源正极到负极,按先后次序经过的节点分别为 1、2、3……),从第 1 节点开始的支路,向电源负极画。可能有多条支路(规定:不同支路不能重复通过同一电阻)能达到电源负极,画的原则是先画节点数少的支路,再画节点数多的支路。然后照此原则,画出第 2 节点开始的支路。余次类推,最后将剩余的电阻按其两端的位置补画出来。

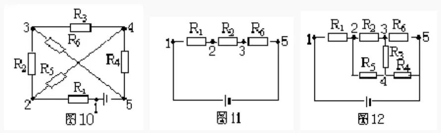
举例:画出图 10 所示的等效电路。



图片



解:图 10 中有 1、2、3、4、5 五个节点,按照支路节点法原则,从电源正极(第 1 节点)出来,节点数少的支路有两条:R1、R2、R5 支路和 R1、R5、R4 支路。取其中一条 R1、R2、R5 支路,画出如图 11。

再由第 2 节点开始,有两条支路可达负极,一条是 R5、R4,节点数是 3,另一条是 R5、R3、R5,节点数是 4,且已有 R6 重复不可取。所以应再画出 R5、R4 支路,最后把剩余电阻 R3 画出,如图 12 所示。

几何变形法


几何变形法就是根据电路中的导线可以任意伸长、缩短、旋转或平移等特点,将给定的电路进行几何变形,进一步确定电路元件的连接关系,画出等效电路图

举例:画出图 13 的等效电路。



图片



解:使 ac 支路的导线缩短,电路进行几何变形可得图 14,再使 ac 缩为一点,bd 也缩为一点,明显地看出 R1、R2 和 R5 三者为并联,再与 R4 串联(图 15)。

撤去电阻


根据串并联电路特点知,在串联电路中,撤去任何一个电阻,其它电阻无电流通过,则这些电阻是串联连接;在并联电路中,撤去任何一个电阻,其它电阻仍有电流通过,则这些电阻是并联连接。

举例:仍以图 13 为例,设电流由 A 端流入,B 端流出,先撤去 R2,由图 16 可知 R1、R3 有电流通过。再撤去电阻 R1,由图 17 可知 R2、R3 仍有电流通过。同理撤去电阻 R3 时,R1、R2 也有电流通过由并联电路的特点可知,R1、R2 和 R3 并联,再与 R4 串联。



图片



独立支路法


让电流从电源正极流出,在不重复经过同一元件的原则下,看其中有几条路流回电源的负极,则有几条独立支路。未包含在独立支路内的剩余电阻按其两端的位置补上。应用这种方法时,选取独立支路要将导线包含进去。

举例:画出图 18 的等效电路。



图片

图片



  • 方案一:选取 A—R2—R3—C—B 为一条独立支路,A—R1—R5—B 为另一条独立支路,剩余电阻 R4 接在 D、C 之间,如图 19 所示。

  • 方案二:选取 A—R1—D—R4—C—B 为一条独立支路,再分别安排 R2、R3 和 R5,的位置,构成等效电路图 20。

  • 方案三:选取 A—R2—R3—C—R4—D—R5—B 为一条独立支路,再把 R1 接到 AD 之间,导线接在 C、B 之间,如图 21 所示,结果仍无法直观判断电阻的串并联关系,所以选取独立支路时一定要将无阻导线包含进去。


节点跨接法


将已知电路中各节点编号,按电势由高到低的顺序依次用 1、2、3……数码标出来(接于电源正极的节点电势最高,接于电源负极的节点电势最低,等电势的节点用同一数码,并合并为一点)。然后按电势的高低将各节点重新排布,再将各元件跨接到相对应的两节点之间,即可画出等效电路。

举例:画出图 22 所示的等效电路。



图片



解:节点编号如图 22 中所示。节点排列,将 1、23 节点依次间隔地排列在一条直线上,如图 23。元件归位,对照图 22,将 R1、R2、R3、R4 分别跨接在排列好的 1、2 的等效电路如图 24。

电表摘补法


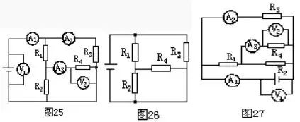
若复杂的电路接有电表,在不计电流表 A 和电压表 V 的内阻影响时,由于电流表内阻为零,可摘去用一根无阻导线代替;由于电压表内阻极大,可摘去视为开路。用上述方法画出等效电 搞清连接关系后,再把电表补到电路对应的位置上。

举例:如图 25 的电路中,电表内阻的影响忽略不计,试画出它的等效电路。



图片


解:先将电流去,用一根导线代摘替,再摘去电压表视为开路,得图 26。然后根据图 25 把电流表电压表补接到电路中的对应位置上,如图 27 所示。


关注电子工程官方社区

每天学点电子技术干货

图片

面包板社区
面包板社区
每日精选电子工程师必备电子技术知识;电子工程专辑、EDN电子技术设计国际电子商情官方社区;为电子工程师提供论坛、博客、芯语、评测、直播、下载资料、技术文库、学院等内容。
1686篇原创内容
公众号
▲ 击关注,后台回复"关键词",领取300 G学习资料包!