以下文章来源于电子工程专辑 ,作者顾正书
《电子工程专辑》中国版创建于1993年,致力于为中国的设计、研发、测试工程师及技术管理社群提供资讯服务。

据IC Insights最新发布的报告预测,全球汽车MCU销售额将在2021年猛增23%,达到创纪录的76亿美元,随后2022年将增长14%,2023年增长约为16%。

尽管今年车用微控制器异常短缺,汽车制造商不得不因此暂时关闭装配线或减产,但该调研机构仍看好2021全年的市场表现。从车用MCU类型来看,超过四分之三的是32位MCU,预计今年销售额约为58亿美元;16位占17.6%,为13.4亿美元;8位占比不到6%,为4.41亿美元。32位MCU较高的平均售价(ASP)也会推高今年的销售额,部分原因是因为市场供应紧张,MCU供应商开始涨价。预计32位MCU的平均售价在2021年上涨13%,增至0.72美元。
过去10多年来,车用MCU约占全球MCU销售总量的40%。IC Insights的统计数据显示,2020年车用MCU销售额为60亿美元;工业MCU营收占比为29%,约为43亿美元。预计2021年全球MCU市场总销售额可达到190亿美元,其中汽车和工业市场占据了70%,消费电子、家电,以及计算机和通信等市场占据了剩下的30%。
我们再来看国内MCU市场。据IHS数据统计,近五年来中国MCU市场的年平均复合增长率约为7.2%,增速超过全球市场。2020年中国MCU市场规模达到269亿元,主要被海外大厂所霸占,国产MCU渗透率较低。本土MCU厂商主要集中在消费电子和家电等细分市场,而汽车和工业控制等中高端市场则被国际大厂垄断。
最近,中国汽车工业协会负责人公开表示,当前各类车用芯片中MCU最为紧缺,国内MCU芯片企业较为薄弱。然而,最近几年的中美科技冷战和贸易摩擦推动了“国产替代”,这为国产MCU厂商带来了绝佳机会,今年的芯片短缺更是刺激了国产厂商积极拓展中高端市场。很多国产厂商都在积极布局低、中和高端各系列MCU产品线,并开始往工业和汽车等市场渗透。例如,极海半导体MCU通过工业级IEC61508 SIL3安全认证,兆易创新正在研发车规级MCU产品。在汽车电子领域,目前已经实现车规级MCU量产的企业包括芯旺、杰发科技、赛腾微、琪埔维和比亚迪半导体等。

马上扫码报名参加MCU大会,现场与MCU专家交流
为了方便电子工程师和采购管理人员筛选和对比国产MCU厂商及其相应的芯片产品,ASPENCORE旗下《电子工程专辑》分析师团队根据所积累的MCU厂商数据、市场分析以及厂商第一手调研采访,精心挑选出10颗国产MCU芯片。请通过微信投票评选出“中国工程师最喜欢的10大国产MCU芯片”。
华大半导体电机控制MCU HC32M140
HC32M140 系列产品是华大半导体开发的32位基于ARM-Cortex M0+ 的MCU,与传统的CPU 内核相比,其效率更高,功耗更低。更宽的工作电压范围可同时支持3V、5V系统。集成TIMER4、异步串口、SPI、I²C、12位高速ADC、运算放大器、电压比较器等丰富的外设资源。该系列产品是华大半导体在M0+平台上的第一颗5V电压产品。
其典型应用包括:
电机控制:无人机电机调速器、电动自行车、变频风扇、油烟机、空气净化器、电动工具;
压缩机控制:冰箱压缩机控制、车载空调压缩机等。

HC32M140控制框图
系统采用无传感器的FOC控制系统,适用于三相永磁同步电机的驱动,支持速度控制、功率控制、转矩控制等多种控制模式。系统集成了硬件过流保护、过欠压保护、峰值过流保护、均方根过流保护、电机缺相保护,堵转保护等丰富的保护功能。通过灵活的参数配置,用户可依据产品需求调整保护阈值、保护灵敏度、和故障恢复时间,确保系统稳定、可靠的运行。
兆易创新MCU GD32E230
GD32E230系列产品是基于Arm Cortex-M23内核的MCU,适合工业控制、电机传动、家用电器、消费电子、智能硬件等嵌入式应用场合。该系列MCU可取代及提升传统的8位和16位产品解决方案,并跨越Cortex-M0/M0+门槛,直接进入32位Cortex-M23内核的开发。

主要特性包括:
Cortex-M23 内核频率高达72 MHz
存储器:内置16KB到64KB闪存;内置8KB SRAM;高达3KB的ISP加载器ROM
低功耗管理:多种省电模式,适合低功耗应用
高级模拟外设:1个12位, 1μs ADC (高达 10通道);1个轨到轨比较器
集成外设接口:高达2个USART,并支持Irda / LIN / ISO7816;高达2个SPI(最高18MHz时钟频率), 2个I2S多路复用;最高2个I2C(最高1MHz时钟频率)
国民技术通用安全MCU N32G455系列
N32G455系列MCU产品基于32位ARM Cortex-M内核,CPU性能高达180DMIPS,内置嵌入式加密高速Flash,Coremark跑分高达486.26分。该系列芯片是国内首个同时集成国密/国际密码算法硬件加速引擎及安全单元的通用安全MCU产品系列,密码算法性能提升数十倍以上,系统资源使用减少5倍,有效提高存储资源使用率。该系列产品具有极高集成度,片内集成4个运算放大器和7个模拟比较器,集成USB、SDIO、QSPI等高速通信接口,以及常规UART、SPI、I2C接口。

原理框图
典型应用包括:
消费领域:TWS、教育机器人、家用医疗设备、运动相机、摄影器材;
家居家电领域:空调、冰箱、扫地机器人、智能照明;
工业应用:5G 通讯设备、IPC、工业无人飞行器、工业机器人、继电器、伺服控制器、工业缝纫机、3D打印、交通仪表、LED屏幕控制、电梯控制器、磁悬浮直线电机;
工业能源:数字电源、PLC、UPS、光伏逆变、动力电池BMS。
中颖电子8051单片机SH79F0819
SH79F0819是一种高速、高效率8051可兼容单片机。在同样振荡频率下,较之传统的8051芯片有着运行更快速的优点。SH79F0819保留了标准8051芯片的大部分特性,包括内置256字节RAM、1个UART和外置中断INT2和INT3。此外,SH79F0819还集成了外部256字节RAM,4个16位定时器/计数器(Timer2 - Timer5)。该单片机还包括适合程序和数据的8K字节Flash块。

SH79F0819不仅集成了如EUART等标准通讯模块,还集成了LCD驱动器,具有内建比较功能的ADC,PWM定时器等模块。为了达到高可靠性和低功耗,SH79F0819内建看门狗定时器,低电压复位功能及系统时钟监控功能。此外,SH79F0819还提供了2种低功耗省电模式。
复旦微电子智能电表MCU FM33A0xx系列
上海复旦微电子的智能电表MCU包括基于32位Cortex-M0内核的FM33A0xx、FM33A0xxB系列芯片,以及16位增强型8xC251内核FM33xx系列芯片。最大支持512KB FLASH程序存储器和 64KB RAM,并集成LCD驱动、带温补的RTC、ADC、AES以及UART、I2C、SPI、7816等通用外设接口。
其应用包括:IR46规范智能电能表、国网698.45规范智能电能表、国网单/三相智能电能表、南网单/三相智能电能表、海外单/三相智能电能表。
FM33A0xx系列特性如下:
最大64KB RAM空间
最大支持90个GPIO,最多24个外部引脚中断,8个异步唤醒引脚
所有引脚在休眠模式下保持状态
丰富的模拟外设
高可靠、可配置BOR电路(支持4级可编程下电复位阈值)
超低功耗PDR电路(支持4级可编程下电复位阈值)
可编程低压电源报警(SVD)
2x低功耗模拟比较器
11-bit低功耗∑-△ADC,最大支持8个外部通道
高精度温度传感器,精度优于1.5℃
8MHz全温区变化小于+/-2%
低功耗32768Hz晶体振荡器,带有停振检测电路
低功耗低速RC振荡器,32KHz
集成PLL
芯旺32位车规级MCU KF32A156
芯旺微电子(ChipON) 基于其KungFu内核的32位车规级MCU KF32A156特性参数如下:
自主内核:KungFu32内核、3级流水线、120Mhz主频、60uA/Mhz动态功耗;
存储器:512KB ECC Flash、64KB ECC RAM、4KB 双端口ECC RAM、支持程序CACHE;
通讯接口:2*CAN-FD(兼容CAN2.0)、1*CAN2.0、4*USART(LIN)、4*SPI(I2S)、4*IIC;
丰富数模混合资源:增强型ECCP、高精度EPWM可实现74ps的精度控制、3路独立ADC、12bit DAC、3路CMP、ECFGL可编程逻辑门控制单元;
功能安全机制:ECC Flash/RAM、PM电源管理单元、3个看门狗模块、多ADC总线、CRC32/16的数据校验、AES128硬件加解密单元;
汽车级标准:符合16949质量标准的晶元和封测产线、符合AEC-Q100 Grade 1级可靠性测试标准。

其应用包括:车身控制器BCM、车灯控制系统、空调/智能座舱控制系统、仪表控制系统、车门座椅控制系统等。
极海半导体工业级MCU APM32系列
工业级扩展型APM32F072xB 系列MCU基于Arm Cortex-M0+内核,工作主频 48MHz,Flash 128KB,SRAM 16KB。APM32F072xB 系列产品强化连接控制,能实现高性价比的音视频智能终端高级控制。具备完整的USB IF 认证,可有效保障终端产品出口无忧。
应用范围:电脑/游戏外设、电池BMS、电容触摸家电、工业控制、汽车电子等产品领域。

APM32F072xB系列MCU特性如下:
电压范围2.0V ~3.6V,内置上电复位、掉电复位以及可编程电压检测器PVD
多达37/51/87个I/Os ,所有I/Os可映射到外部中断向量,容忍5V信号输入
内置7通道DMA控制器和CRC计算单元
新器件采用最新的制造工艺,实现了业内领先的超低运行功耗(比主要竞品低50%)和更快的Flash擦写速度(比主要竞品高一倍以上)
支持96位唯一ID,可满足客户定制区域性产品销售策略
封装:QFN48/LQFP48/LQFP64/LQFP100
中微半导体电机控制MCU CMS32M5710
CMS32M57xx系列MCU是中微半导体电机控制产品线主力产品,被广泛应用于正弦波吸尘器、电动两轮车、变频空调、变频洗衣机、高压高速吹风筒等典型电机控制领域。
该系列产品集成了 ARM® Cortex®-M0内核、内建嵌套向量中断控制器。主要有并行I/O 口(支持普通输入、上下拉输入、 推挽输出、开漏输出、并可配置边沿或者电平触发中断)、定时器(6位窗口看门狗定时器、32位看门狗定时器、4路可编程定时器)、SPI、I2C、UART、EPWM、CCP、ADC、ACMP、OP、PGA 等部件。
主要特点如下:
具有最大64KB FLASH存储空间,最大8KB SRAM空间,1KB FLASH数据区。
支持BOOT功能及程序空间分区保护、支持硬件CRC校验FLASH空间代码、寄存器保护操作、用户可配置ID,安全性更高。
正常模式、睡眠模式、深度睡眠模式、停止模式4种工作模式供选择,使用更方便,功耗更低。
具有32位硬件除法器、32位单周期硬件乘法器,运算速度更快。
灵活可KS的IO口,支持多种数字与模拟复用功能,使用更方便。
具有带死区编程、周期占空比间隔更新、独立/互补/同步/主控输出的增强型PWM、多种故降保护功能以及支持软/硬件恢复功能,EPWM功能更丰富。
具有12位最快1.2Msps的ADC、支持迟滞选择功能的模似比较器、增益可选的可编程增益放大器、运算放大器等模拟IP,模似功能更强大。
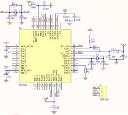
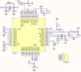
晟矽微无线连接MCU MC8015
MC8015是一款高性能2.4G产品,广泛用于童车、遥控玩具车、无线LED无极调光、防丢器等领域。

主要特性包括:
片上集成发射机,接收机,频率综合器,GFSK调制解调器
片上集成32位Cortex-M0结构MCU
工作电压:2.0V~3.6V
封装形式:QFN48、QFN32
灵动微电机控制MCU MM32SPIN0280
灵动微MM32SPIN0280系列32位MCU产品是专门用于针对电机与电源领域所设计的基于Arm Cortex-M0内核的高性能微控制器,内核主频96兆赫兹,PWM主频192兆赫兹。QFN20以及TSSOP20极小封装可以实现三相永磁无刷电机(BLDC/PMSM)的FOC驱动;LQFP64的多管脚封装可以实现双电机驱动,内置了两个独立的3MSPS的12位高速高精度ADC,以及四路轨对轨高速运算放大器(OPA),可以极少的外围器件实现三相永磁无刷电机(BLDC/PMSM)FOC驱动算法中的双电阻采样或者单电阻采样的超静音高效方案,特别适用于家用空调室外机、吸尘器、高速吹风筒、伺服驱动器、无人搬运车、净化器风机、洗衣机、电动车以及其他高效率电机驱动设备。
其产品特性如下:
工作电压范围2~5.5V
128K字节FLASH,8K字节SRAM
芯片工作温度范围-40°C~105°C
2组独立3MSPS的12位ADC,16通道
5组具有滤波功能的比较器,11通道
3组UART,2组多地址设计的I2C,SPI
2组带有死区功能的高级定时器,支持双电机驱动
点击这里:微信投票评选出您最喜欢的10大国产MCU芯片!(单选)
