
大家好,我是小舒,今天谈一个老生常谈的问题,大家都知道用三极管、MOS管在驱动感性负载的时候,会在感性负载两端加一个二极管。最为典型的案例就是三极管驱动继电器,今天就和大家分享一下前因后果。
以下正文来源于面包板社区。
电感(inductor)是一个绕在磁性材料上的导线线圈(coil),电感通以电流时产生磁场(magnetic field),磁场很懒,不喜欢变化,结果呢,电感就成为阻碍其电流(current)变化的元件。
如果流过电感的电流恒定,电感就很高兴,不用对电子流出任何力(force),此时的电感线圈就是普通导线。
如果我们想中断电感中的电流,电感就会出力(电动势,EMF),试图维持其中电流。如果电感自身构成回路,电路中又没有电阻(resistance),那么理论上,电子流永远在循环流动。但是,除非我们采用超导体,否则所有的导线都对电流有阻碍作用,最终电感电流将衰减(decay)为零,且电阻越大,衰减越快。不过,感抗(inductance)越大,衰减则越慢。如图1所示。

图1 中断电感电流时储存的能量释放
一旦电流变为零,由于电感总是试图阻碍电流变化,此时它又想维持电路电流为零。
所以,当我们把电感接入电路中时,电感马上出力,试图阻碍电流增加,但是电流还是慢慢在增加。电感感抗越大,电流增大的速度越慢。当电流不再增加而到达稳态值后,电感又乐不可支了,不用再出力了!如图2所示。


图2 电感电路ON
当我们切断电感中的电流时,电感又出力想维持稳态电流值。如果此时电感与一个电阻相连,则电阻两端的电压是其电阻值与电流的乘积。由于电感最大的本事就是阻止电流的突变,因此,不管电阻值是多少,在电路被切断后的瞬间,电感中的电流与切断前是一样的。如果电阻值很大,则电流与电阻的乘积也非常大,结果,电感上会产生瞬时的高电压。如图3所示。


图3 电感电路OFF
由于电感中的电流不能突变,如果要切断电感电路,我们总是需要提供电感电流释放回路。假如没有提供释放回路,电感电流就会自寻通道,比如,通过空气释放,通过开关触点或者其他不应导电的元件释放。短时间的高电压将对电路产生极大的破坏。
电感器能够产生高电压的能力在电源设计时非常有用,但也意味着,在没有准备好释放通路时不可以随便切断电感电路。
02
续流二极管
从图中可以看出断电时EMF产生的瞬时高压(数倍甚至数十倍于电源电压)如果无处释放,会对电路的其他元件造成损害,而如果提供释放回路,又怎么能适时接通呢?即电感电路接通时,释放回路不通,而电感电路断开时释放回路就接通。如图4所示。

图4 释放回路接通的时机
电阻是双向导电的,而二极管就具有单向导电特性。因此我们采用如图5所示的电路,图中并联在电感两端的二极管称为续流二极管(flyback diode或flywheel diode)。

图5 续流二极管电路
03
续流二极管的作用
续流二极管通常和储能元件一起使用,其作用是防止电路中电压电流的突变,为反向电动势提供耗电通路。电感线圈可以经过它给负载提供持续的电流,以免负载电流突变,起到平滑电流的作用!在开关电源中,就能见到一个由二极管和电阻串连起来构成的的续流电路。这个电路与变压器原边并联。当开关管关断时,续流电路可以释放掉变压器线圈中储存的能量。

续流二极管工作原理图

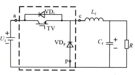
BUCK电路图
BUCK电路中一般选择快速恢复二极管或者肖特基二极管来作为"续流二极管",它在电路中一般用来保护元件不被感应电压击穿或烧坏,以并联的方式接到产生感应电动势的元件两端,并与其形成回路,使其产生的高电动势在回路以续电流方式消耗,从而起到保护电路中的元件不被损坏的作用。
理论上二极管选用至少2倍于最大电流,实际使用时,由于二极管的瞬间抗过载能力较强,使用最大电流50A的超快速二极管也行,加上合理的散热片,实际使用中一般少有损坏。导通时的总阻抗是 电机内阻+驱动管等效内阻。续流时的总阻抗是 电机内阻+续流二极管等效内阻。一般情况下,由于续流二极管的交流等效内阻要比驱动三极管的交流等效内阻小。所以常规设计,一般续流二极管的最大电流,取二倍于电机最大电流。
瞬态电流只是一瞬间,面接触型二极管的抗过载能力还是可以的,只要不过压即可,必要时串个小阻值电阻进行限流。续流二极管是为了保护开关器件,续流时的瞬态电流跟电机的工作电压和绕组内阻有关,跟电机功率无关,真要计算的话,瞬态电流的峰值是反向自感电压减去二极管结压降再除以回路电阻。这里之所以还要用一定电流以上的二极管是因为低压大功率电机的绕组内阻较低,所以瞬态电流会比较大,串个小阻值电阻就可以抑制峰值电流,因此造成的开关管瞬态加压的些许上升因为工作电压本来就不高,所以根本不必担心,现在的晶体管耐压至少都在50V以上。
  

继电器并联的二极管,不是什么BUCK电路中的续流二极管,由于继电器线圈的是感性负载,作用是吸收驱动三极管在断开时继电器线圈的自感电压,根据楞次定律,电感上的电流在减小时,会产生一个自感电压,这个电压的方向是正电源端为负,驱动管集电极为正,这个电压会击穿三极管,所以在继电器上并联一个吸收二极管,吸收这个自感电压。
第一,电路ms级以下时间参数对机械触点影响给予忽略
第二,即便是1N4000反向恢复时间也远低于ms,正向导通时间更小
第三,驱动管极间电容,继电器寄生电容足以使高速二极管无用武之地
第四,电感储能的消耗主要依靠饶组电阻,一般处于过阻尼状态
对于图中的开关,我们经常使用晶体管。如图所示,用一个晶体管TR1去控制继电器线圈(relay coil)的导通,继电器触点再去控制负载电路。

继电器线圈的续流电路
二极管负极接直流电源正极,继电器线圈断电时,二极管因势利导,为线圈高电压提供释放途径。如果没有续流二极管,晶体管断开时在线圈两端产生的高电压将对晶体管电路造成极大的损坏,此时续流二极管起到了保护作用。
为此,经常将二极管直接和继电器做在一起,如图所示。

般感性负载比电阻性负载更容易使触点受到损作,如果使用适当的保护电路可以使感性负载对触点的影响与电阻性负载基本相当,但请注意如果不正确使用,可能会产生反效果。
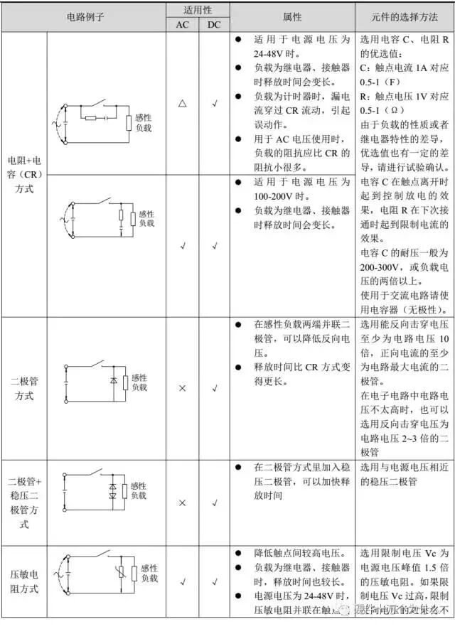
下表是触点保护电路的代表性例子。


注意请避免下表中所列的触点保护电路。


续流二极管应该加到感性负载的两端,这里说的感性,就是具有电感特性,而不是性感。感性负载的特性就是电流不能突变,也就是说,不可能一下子就没了,也不可能一下子就有了,需要有个过程。
常见的感性负载有继电器线圈、电磁阀。
感性负载会产生感应电动势,感应电动势的方向和加在它两端的电压方向是相反的,当感性负载突然断电,感应电动势还在,由于感应电动势与原来的电压方向相反,在没有断电的时候,还有原来的电压与之抵消,断电后就没有与感应电动势抵消的电压了,这个感应电动势就有可能造成电路中的元器件损坏,加个二极管以后,这个二极管正好与感性负载形成了一个闭合回路,回路中的电流方向正好和二极管是正向导通的,就可以释放感应电动势的电流了。

普通二极管如1N4007就可以作为续流二极管,不过,最好是用快速恢复二极管或者肖特基二极管。
快速恢复二极管可以用:FR107、1N4148
肖特基二极管可以用:1N5819
二极管的耐压,就是反向能加多大电压,你可以看到,续流二极管在电路中是反向连接的。比如你的电路中,线圈加的是12V,那么你的二极管方向耐压值就必须要大于12V才行。不过一般的二极管反向耐压值都非常高。
二极管的最大正向导通电流,比如1N4148最大正向导通电流是150mA,那么如果你的线圈电流太大,就会烧坏续流二极管。所以1N4148只适合小电流的线圈保护,比如5V的继电器。
凡是电路中的继电器线圈两端和电磁阀接口两端都要接续流二极管。接法如上面的图,二极管的负极接线圈的正极,二极管的正极接线圈的负极。不过,你要清楚,续流二极管并不是利用二极管的反方向耐压特性,而是利用二极管的单方向正向导通特性。
如果懒得看二极管的datasheet参数,就用FR107吧,通吃一般应用。

#热门推荐#

👇关注官方&社区微信号,随时随地学电子👇
👇诚邀您参加行业活动👇

分享、点赞、在看,3连3连!